Omet navegació

3. Dependència Funcional

 

3.1 DEPENDÈNCIA FUNCIONAL

Un atribut o conjunt d'atributs Y depèn funcionalment de l'atribut o conjunt de atributs X, i es representa com X Y , si i només si cada valor de X es correspon amb un únic valor de Y.

 

Per exemple, entre DNI i NOM existeix una dependència funcional, ja que el valor DNI es correspon amb un únic nom.

DNI NOM

En aquest cas (suposant que el NOM és únic i no existeixen dos noms iguals) s'acompleix també la dependència

NOM DNI

i ho podríem abreviar per

DNI ←→ NOM

No sempre es dóna de forma biunívoca la dependència funcional entre dos atributs, es més, en pocs casos succeeix. Per exemple, entre els atributs DNI i ADREÇA existeix una dependència funcional ja que una persona identificada pel seu DNI viu en una única ADREÇA.

DNI ADRECA

Però en aquest cas no es dóna la dependència en sentit invers, perquè en una ADREÇA viuen unes quantes persones. A més, l'adreça no ens diu ni tan sols la ciutat on es troba (per exemple, el "C/ Major, 7" es troba en moltes ciutats)

Hi ha atributs que no tenen entre ells una dependència funcional com és el cas de ADREÇA i DATA_NAIXEMENT.

 

En moltes ocasions, per a determinar un únic valor d'un atribut, no és suficient amb conèixer el valor d'un altre atribut, sinó que és necessari trobar els valors d'uns quants atributs. Això és el que passa, si tenim els atributs: DNI, EMPRESA i SOU, i sabem que una persona pot treballar en més d'una empresa. Entre els atributs DNI i SOU no existeix cap dependència funcional, ja que un individu pot guanyar sous distints en empreses distintes. Però si coneixem l'empresa en la qual treballa, sí que podem dir que:

DNI . EMPRESA SOU

L'operador punt "." representa l'expressió "junt amb" o "i" entre els dos atributs i l'operador barra "|" fa referència a l'expressió "o també".

Per tant, podem dir que DNI "junt amb" EMPRESA determinen el SOU. I per a la dependència:

DNI NOM | ADRECA

direm que amb el DNI es coneix el NOM "o també" l'ADREÇA.

 

3.2 DEPENDÈNCIA FUNCIONAL TOTAL

Es diu que l'atribut Y té una dependència funcional total de l'atribut X si té una dependència funcional de X i NO depèn funcionalment de cap subconjunt de X.

 

Per exemple, una dependència funcional seria:

DNI . EMPRESA NOM

Però, lògicament, aquesta dependència no és total ja que NOM depèn funcionalment de DNI. Per això, a aquesta dependència s'anomena dependència parcial.

La dependència funcional total seria:

DNI . EMPRESA SOU

Ara sí, el SOU no depèn funcionalment de cap subconjunt.

És evident que si X està format únicament per un atribut, la dependència funcional serà total.

Les dependències que ens interessen per a la normalització són sempre les dependències funcionals totals.

 

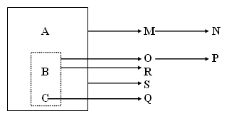
3.3 GRAF DE LES DEPENDÈNCIES FUNCIONALS

Serveix per a mostrar gràficament la relació existent entre tots els atributs i és una forma clara de tenir una visió general de les dades i de la cohesió existent entre elles. La clau principal es representa dins d'una caixa de línies contínues amb els seus atributs primaris. La resta dels atributs es representa fora de la caixa.

Si existeixen dependències d'un conjunt d'atributs que no són la clau, aniran dins d'una caixa de línies discontínues per a no confondre-ho amb la clau principal de la taula.

Exemple:

A . B . C M | S
M N
B . C O | R
O P
C Q
(clau = A . B . C)

 

El graf associat és: